Call us on : +1 (238) 456 7894

2013D Series Ball Valve

2013D Series Ball Valve

½’’ Through 2’’ Sizes Available

(DN10~DN50)

The 2013SD Series Ball Valve from I-VAC is designed for compact, high-performance flow control in demanding industrial environments. Precision-engineered through investment casting, it delivers reliable shut-off, safety features such as a blow-out proof stem and anti-static device, and excellent pressure and temperature capabilities. With its ISO 5211 direct mounting pad, the 2013SD Series integrates seamlessly with a wide range of automation equipment, making it a versatile and efficient solution for modern process systems.

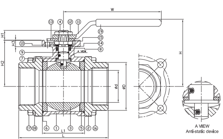
3-PC Threaded Ball Valve - Stainless Steel

PDF DOWNLOADS FOR: 2013D

Features :

  • Investment Casting
  • Full Port
  • Available Sizes:                           1/2″ up to 2″ (DN10~DN50)
  • Working Pressure:                     1000 WOG (PN63)
  • Working Temperature:              -4°F~392°F (-20°C~200°C)
  • Blow-Out Proof Stem:                Standard
  • Live-Loading Stem Design:        Standard
  • Anti-Static Device:                       Standard
  • Locking Device:                            Standard
  • End to End Length:                     Conforms to DIN 3202/4-M3     
  • Fugitive Emission Approved:    Optional ISO 15848 Approval
  • Thread Type:                                ASME B1.20.1 (NPT) DIN2999 & BS21 ISO7/1 & EN10226
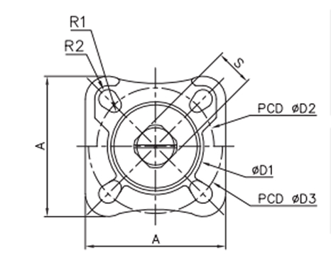
  • Mounting Pad:                             ISO 5211 Direct Mounting Pad for Easy Automation
    Designed with universal mounting for use with ISO 5211 compliant valve automation equipment. 
  • Automation Accessories:           Optional

Available Automation Accessories

  • Electric Actuators
  • Pneumatic Actuators
  • Limit Switches
  • Mounting Kits
  • Stem Extensions

Dimension Charts

DN d D L L1 H H1 H2 H3 W S A D1 D2 D3 R1 R2 ISO 5211 Torque (N·M) Action Torque (N·M) Breakaway Weight (kg)
15 15 28 75 23 63 8 40.3 6.5 120 9 42 31 36 42 2.75 2.75 F03/F04 2.5 3.6 0.6
20 20 35 80 28 69 9 45 6.5 120 9 42 31 36 42 2.75 2.75 F03/F04 4 6.11 0.8
25 25 42 90 35 76 10 47.5 7.5 148 11 50 35.5 42 50 2.75 3.5 F04/F05 4.3 9.9 1.2
32 32 52 110 44.8 84 11 55.5 7.5 148 11 50 35.5 42 50 2.75 3.5 F04/F05 11.7 15.6 1.7
40 38 59 120 54.5 99 12 65.3 9 178 14 70 56 50 70 3.5 4.5 F05/F07 14 22 2.9
50 50 72 140 66 108 12 73 9 178 14 70 56 50 70 3.5 4.5 F05/F07 19 26.8 3.9

Unit: mm

NPS d D L L1 H H1 H2 H3 W S A D1 D2 D3 R1 R2 ISO 5211 Torque (in-lb) Action Torque (in-lb) Breakaway Weight (lb)
1/2″ 0.59 1.1 2.95 0.91 2.48 0.31 1.59 0.26 4.72 0.35 1.65 1.22 1.42 1.65 0.11 0.11 F03/F04 21.9 32.2 1.3
3/4″ 0.79 1.38 3.15 1.1 2.72 0.35 1.77 0.26 4.72 0.35 1.65 1.22 1.42 1.65 0.11 0.11 F03/F04 35.4 54.1 1.8
1″ 0.98 1.65 3.54 1.38 2.99 0.39 1.87 0.3 5.83 0.43 1.97 1.4 1.65 1.97 0.11 0.14 F04/F05 38 87.4 2.6
1-1/4″ 1.26 2.05 4.33 1.76 3.31 0.43 2.19 0.3 5.83 0.43 1.97 1.4 1.65 1.97 0.11 0.14 F04/F05 103.6 138.1 3.7
1-1/2″ 1.5 2.32 4.72 2.15 3.9 0.47 2.57 0.35 7.01 0.55 2.76 2.2 1.97 2.76 0.14 0.18 F05/F07 123.9 194.7 6.4
2″ 1.97 2.83 5.51 2.6 4.25 0.47 2.87 0.35 7.01 0.55 2.76 2.2 1.97 2.76 0.14 0.18 F05/F07 168.2 237 8.6

Unit: in